Tooted
AVALEHT > Tooted
JDZX9-35D/290 pingetrafo
  • JDZX9-35D/290 pingetrafoJDZX9-35D/290 pingetrafo
  • JDZX9-35D/290 pingetrafoJDZX9-35D/290 pingetrafo
  • JDZX9-35D/290 pingetrafoJDZX9-35D/290 pingetrafo

JDZX9-35D/290 pingetrafo

Hiina professionaalne pingetrafode tootja Comewill esitleb uhkusega JDZX9-35D/290 pingetrafot, mis on loodud stabiilseks ja täpseks tööks 35 kV toitesüsteemides.

Comewilli tehase kvaliteetne JDZX9-35D/290 pingetrafo, mis on konstrueeritud epoksüvaigust valatud isolatsiooni ja täielikult suletud väliskonstruktsiooniga, tagab suure täpsuse, tugeva vastupidavuse ja pikaajalise töökindluse. Seda kasutatakse laialdaselt energia mõõtmisel, pinge jälgimisel ja releekaitses, mistõttu on see ideaalne lahendus kaasaegsetele elektrivõrkudele ja tööstuslikele rakendustele.

Tüübi tähistus

Tere tulemast (Wenzhou) Electric Co., Ltd. pingetrafo JDZX9-35, mudel sisaldab peamist struktuuri- ja kasutusteavet, mida saab hõlpsasti lahti võtta ja mõista:

Mudel JDZX9-35 esindab peamisi struktuurseid ja funktsionaalseid omadusi:

J – pingetrafo
D – Ühefaasiline struktuur
Z – Epoksiidvaiguvalu isolatsioon
X – jääkpinge mähisega (maanduskaitseks)
9 – Disaini järjekorranumber
35 – Nimipinge: 35kV

See mudelinimetus tõstab otseselt esile JDZX9-35D/290 pingetrafo põhiomadused: loodud spetsiaalselt keskpinge elektrisüsteemide jaoks, sellel on valuvaigust isolatsioon, ühefaasiline struktuur ja see võib olla varustatud ka jääkpinge mähistega, mis sobib ideaalselt 35 kV süsteemide kasutusvajadustega.

Teenuse tingimused

Stabiilse ja pikaajalise töö tagamiseks tuleks pingetrafot JDZX9-35D/290 kasutada järgmistel tingimustel:
Paigaldamine: Ainult välitingimustes kasutamiseks
Ümbritsev temperatuur:
Maksimaalne: +40°C
Miinimum: -25°C
Päeva keskmine ≤ 30°C
Kõrgus: ≤ 1000 m (suurematel kõrgustel on vaja kohandatud disaini)
Saasteaste: sobib IV klassi keskkondadesse
Atmosfäär: vaba tugevast tolmust ega söövitavatest gaasidest

Tehnilised andmed

Tüüp Nimipinge suhe (V) Täpsusklassi kombinatsioon Nimiväljund (VA) Maksimaalne väljund (VA) Nimiisolatsioonitase (kV)
JDZX9-35 35000/√3/100/√3/100/3 0,2/6P 30/100 600 40,5/95/200
0,5/6P 50/100
JDZXF9-35 35000/√3/100/√3/100/√3/100/3 0,2/0,2/6P 20/20/100 2×300
0,2/0,5/6P 25/30/100
0,5/0,5/6P 30/30/100

Kohandamise ja kasutamise juhised

Comewill kui kogenud Hiina pingetrafode tarnija pakub paindlikke kohandamisteenuseid:
Saadaval on kohandatud pingesuhe ja täpsusklass
Spetsiifiliste projektinõuete jaoks kohandatud lahendused
Mittestandardsete kujunduste tugi
Kasutusmärkused:
Täpse mõõtmise jaoks kasutage korraga ainult ühte pingesuhet
Vältige samaaegset mitme suhtega töötamist
Parima jõudluse tagamiseks esitage tellimisel üksikasjalikud parameetrid

Rakenduse stsenaariumid

JDZX9-35D/290 pingetrafot kasutatakse laialdaselt:
Elektrivõrgu süsteemid
Alajaamad
Tööstuslik elektrijaotus
Energia mõõtesüsteemid
Releekaitse rakendused

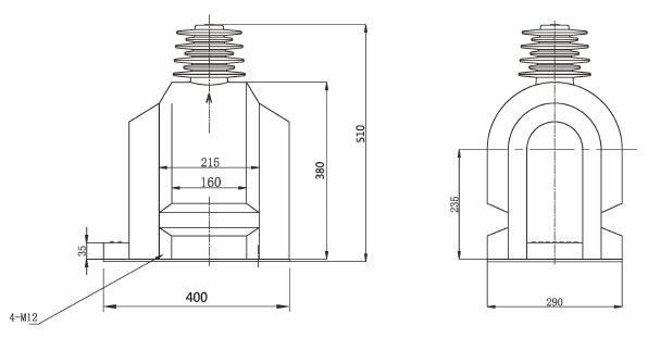
Paigaldamise skeem ja mõõtmed

DZX9-35KV pingetrafode juhtmestiku põhimõtted

Tellimisinfo

Tagamaks, et trafo vastab ideaalselt teie süsteeminõuetele, täpsustage:

Pinge suhe
Täpsusklass
Nimiväljund
Erinõuded (kui on)

Kohandatud lahenduste jaoks on Comewilli tehniline meeskond valmis pakkuma professionaalset tuge alates projekteerimisest kuni tarnimiseni, tagades teie elektrisüsteemi usaldusväärse ja tõhusa töö. Tere tulemast meiega ühendust võtma ja kohe hinnapakkumist hankima!

Kuumad sildid: JDZX9-35D/290 pingetrafo, Hiina, tootja, tarnija, tehas, hulgimüük, kohandatud, laos, valmistatud Hiinas, madal hind, kvaliteet
Saada päring
Kontaktinfo
Saada päring Comewillile jaotusseadmete, vaakumkaitselülitite, voolutrafo kohta. Hankige kohandatud hinnapakkumisi, madalaid hindu või ekspertide tuge meie Hiina tehase meeskonnalt.
X
Kasutame küpsiseid, et pakkuda teile paremat sirvimiskogemust, analüüsida saidi liiklust ja isikupärastada sisu. Seda saiti kasutades nõustute meie küpsiste kasutamisega. Privaatsuspoliitika
Keeldu Nõustu